Jason 0745cc4f48 Pipeline CFAR noise computation: break critical path for timing closure
Split ST_CFAR_THR into two pipeline stages (THR + MUL) to fix Build 23
timing violation (WNS = -0.309 ns). The combinational path from
leading_sum through GO/SO cross-multiply into alpha*noise DSP was too
long for 10 ns.

New pipeline:
  ST_CFAR_THR: register noise_sum_comb (mode select + cross-multiply)
  ST_CFAR_MUL: compute alpha * noise_sum_reg in DSP
  ST_CFAR_CMP: compare + update window (unchanged)

3 cycles per CUT instead of 2 (~85 us vs 70 us per frame, negligible).
All detection results identical: 23/23 CFAR standalone, 22/22 full
regression, 3/3 real-data co-sim (5137/5137 exact match) PASS.
2026-03-20 05:24:08 +02:00
2026-03-10 01:12:50 +00:00
2026-03-15 22:03:54 +00:00
2026-03-09 00:39:23 +00:00
2026-03-10 02:17:16 +00:00

AERIS-10: Open Source Pulse Linear Frequency Modulated Phased Array Radar

Hardware: CERN-OHL-P Software: MIT Status: Alpha Frequency: 10.5GHz) PRs Welcome

AERIS-10 Radar System

AERIS-10 is an open-source, low-cost 10.5 GHz phased array radar system featuring Pulse Linear Frequency Modulated (LFM) modulation. Available in two versions (3km and 20km range), its designed for researchers, drone developers, and serious SDR enthusiasts who want to explore and experiment with phased array radar technology.

AERIS-10 Radar System

📡 Overview

The AERIS-10 project aims to democratize radar technology by providing a fully open-source, modular, and hackable radar system. Whether youre a university researcher, a drone startup, or an advanced maker, AERIS-10 offers a platform for experimenting with beamforming, pulse compression, Doppler processing, and target tracking.

🔬 Key Features

  • Open Source Hardware & Software - Complete schematics, PCB layouts, firmware, and software available
  • Dual Version Availability:
    • AERIS-10N (Nexus): 3km range with 8x16 patch antenna array
    • AERIS-10E (Extended): 20km range with 32x16 dielectric-filled slotted waveguide array
  • Full Electronic Beam Steering - ±45° electronic steering in elevation and azimuth
  • Advanced Signal Processing - On-board FPGA handles pulse compression, Doppler FFT, MTI, and CFAR
  • Python GUI - User-friendly interface with map integration
  • GPS/IMU Integration - Real-time position and attitude correction
  • Modular Design - Separate power management, frequency synthesis, and RF boards

🏗️ System Architecture

AERIS-10 Radar System

Hardware Components

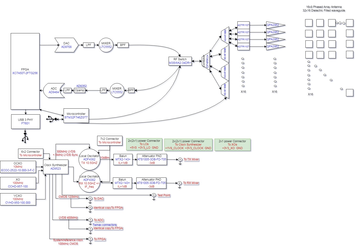
The AERIS-10 main sub-systems are:

  • Power Management Board - Supplies all necessary voltage levels to the electronics components with proper filtering and sequencing (sequencing ensured by the microcontroller)

  • Frequency Synthesizer Board - Uses a high-performance Low Jitter Clock Generator (AD9523-1) that supplies phase-aligned clock references for:

    • RX and TX Frequency Synthesizers (ADF4382)
    • DAC
    • ADC
    • FPGA
  • Main Board containing:

    • DAC - Generates the RADAR Chirps
    • 2x Microwave Mixers (LT5552) - For up-conversion and IF-down-conversion
    • 4x 4-Channel Phase Shifters (ADAR1000) - For RX and TX chain beamforming
    • 16x Front End Chips (ADTR1107) - Used for both Low Noise Amplifying (RX) and Power Amplifying (TX) stages
    • XC7A100T FPGA - Handles RADAR Signal Processing:
      • PLFM Chirps generation via the DAC
      • Raw ADC data read
      • Automatic Gain Control (AGC)
      • I/Q Baseband Down-Conversion
      • Decimation
      • Filtering
      • Forward FFT
      • Pulse Compression
      • Doppler, MTI and CFAR processing
      • USB Interface
    • STM32F746xx Microcontroller - Used for:
      • Power-up and power-down sequencing (see Power Management Excel File)
      • FPGA communication
      • Setup and Interface with:
        • Clock Generator (AD9523-1)
        • 2x Frequency Synthesizers (ADF4382)
        • 4x 4-Channel Phase Shifters (ADAR1000) for RADAR pulse sequencing
        • 2x ADS7830 ADCs (on Power Amplifier Boards) for Idq measurement
        • 2x DAC5578 (on Power Amplifier Boards) for Vg control
        • GPS module for GUI map centering
        • GY-85 IMU for pitch/roll correction of target coordinates
        • BMP180 Barometer
        • Stepper Motor
        • 8x ADS7830 Temperature Sensors for cooling fan control
        • RF switches
  • 16x Power Amplifier Boards - Used only for AERIS-10E version, featuring 10Watt QPA2962 GaN amplifier for extended range

  • Antenna Arrays:

    • AERIS-10N (Nexus) - 8x16 patch antenna array
    • AERIS-10X (Extended) - 32x16 dielectric-filled slotted waveguide antenna array
  • Miscellaneous Components:

    • Slip-Ring
    • Stepper Motor and drivers
    • Cooling Fans
    • Enclosure)

Processing Pipeline

  1. Waveform Generation - DAC creates LFM chirps
  2. Up/Down Conversion - LT5552 mixers handle frequency translation
  3. Beam Steering - ADAR1000 phase shifters control 16 elements
  4. Signal Processing (FPGA):
    • Raw ADC data capture
    • I/Q baseband down-conversion
    • Decimation & filtering (CIC/FIR)
    • Pulse compression
    • Doppler FFT processing
    • MTI & CFAR detection
  5. System Management (STM32):
    • Power sequencing
    • Peripheral configuration
    • GPS/IMU integration
    • Stepper motor control
  6. Visualization (Python GUI):
    • Real-time target plotting
    • Map integration
    • Radar control interface
AERIS-10 Radar System

📊 Technical Specifications

Parameter AERIS-10N (Nexus) AERIS-10X (Extended)
Frequency 10.5 GHz 10.5 GHz
Max Range 3 km 20 km
Antenna 8x16 Patch Array 32x16 Slotted Waveguide
Beam Steering Electronic (±45°) Electronic (±45°)
Mechanical Scan 360° (stepper motor) 360° (stepper motor)
Output Power ~1Wx16 10Wx16 (GaN amplifier)
Processing FPGA + STM32 FPGA + STM32

🚀 Getting Started

🧹 Repository File Placement Policy

To keep the repository root clean and make artifacts easy to find, place generated files in the following locations:

  • Published reports (tracked, GitHub Pages): docs/
    • Example: docs/AERIS_Simulation_Report_v2.pdf
  • Simulation-generated outputs (local, gitignored): 5_Simulations/generated/
    • Plots, scenario outputs, temporary analysis directories
  • FPGA/Vivado generated artifacts (local, gitignored): 9_Firmware/9_2_FPGA/reports/
    • VCD/VVP dumps, temporary CSVs, local report snapshots
  • Reusable FPGA automation scripts (tracked): 9_Firmware/9_2_FPGA/scripts/
    • TCL flows, helper scripts used by build/bring-up

Do not leave generated artifacts in the repository root.

Prerequisites

  • Basic understanding of radar principles
  • Experience with PCB assembly (for hardware build)
  • Python 3.8+ for the GUI software
  • FPGA development tools (Vivado) for signal processing modifications

Hardware Assembly

  1. Order PCBs: All Gerber files are available in /4_Schematics and Boards Layout
  2. Source Components: Bill of materials (BOM) in /4_Schematics and Boards Layout/4_7_Production Files
  3. Assembly: Follow the assembly guide in /10_docs/assembly_guide.md
  4. Antenna: Choose appropriate array for your version
  5. Enclosure: 3D printable files in /10_docs/Hardware/Enclosure

📜 License

This project is open-source but uses different licenses for hardware and software to ensure proper legal coverage.

Hardware Documentation

The hardware design files—including: - Schematics and PCB layouts (in /4_Schematics and Boards Layout) - Bill of Materials (BOM) files - Gerber files and manufacturing outputs - Mechanical drawings and enclosure designs

are licensed under the CERN Open Hardware Licence Version 2 Permissive (CERN-OHL-P) .

This is a hardware-specific license that: - Clearly defines “Hardware,” “Documentation,” and “Products” - Includes explicit patent protection for contributors and users - Provides stronger liability limitations (important for high-power RF) - Aligns with professional open-hardware standards (CERN, OSHWA)

You may use, modify, and sell products based on these designs, provided you: - Maintain the original copyright notices - Distribute any modified designs under the same license - Make your modifications available in Source format

Software and Firmware

The software components—including: - FPGA code (VHDL/Verilog in /9_Firmware) - Microcontroller firmware (STM32) - Python GUI and utilities

remain under the MIT License for maximum flexibility.

Full License Texts

  • The complete CERN-OHL-P license text is in the LICENSE file
  • MIT license terms apply to software where not otherwise specified

Why This Change?

Originally, the entire project used the MIT license. The community (special thanks to gmaynez!) pointed out that MIT lacks legal protections needed for physical hardware. The switch to CERN-OHL-P ensures the project is properly protected while maintaining the same permissive spirit.

Description
No description provided
Readme 120 MiB
Languages
PLSQL 32%
Verilog 18.2%
Python 15.2%
C 14.8%
SMT 10.3%
Other 9.5%