This website requires JavaScript.
Explore
Help
Sign In
daviddoji
/
PLFM_RADAR
Watch
1
Star
0
Fork
0
You've already forked PLFM_RADAR
Code
Issues
Pull Requests
Actions
Packages
Projects
Releases
Wiki
Activity
Files
8bd880ce4c6cec33d89fa001ff3fea48a15b7950
PLFM_RADAR
/
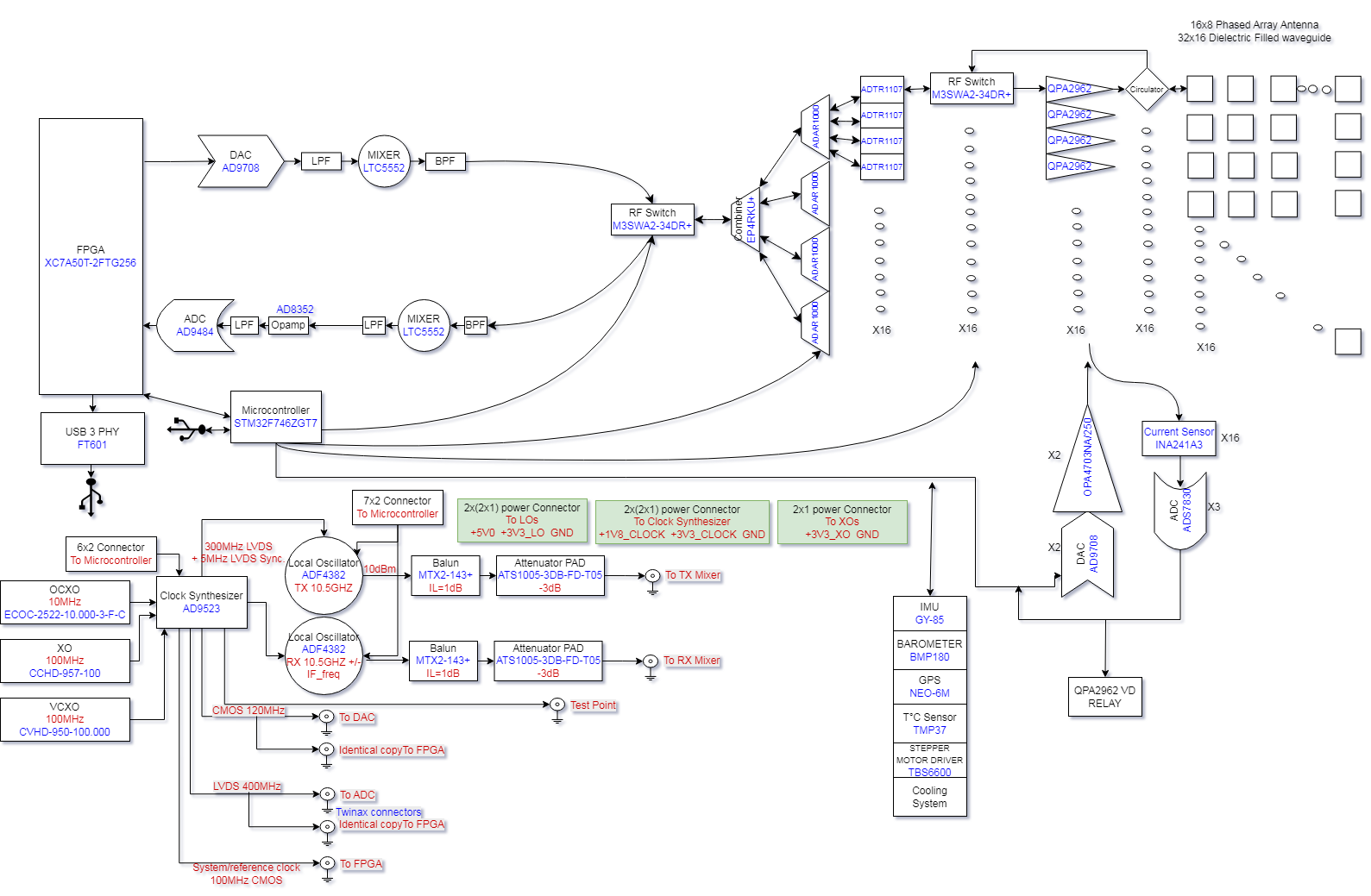
2_Functional Diagram & Interconnection Matrices
/
RADAR_V6_V2.png
NawfalMotii79
836bf8fb9f
Complete Diagram
2026-03-20 00:17:42 +00:00
443 KiB
1589x1039px
Raw
History
Reference in New Issue
View Git Blame
Copy Permalink