This website requires JavaScript.
Explore
Help
Sign In
daviddoji
/
PLFM_RADAR
Watch
1
Star
0
Fork
0
You've already forked PLFM_RADAR
Code
Issues
Pull Requests
Actions
Packages
Projects
Releases
Wiki
Activity
Files
519c95f452d71234820c415ea2d7f994cb8bbf5d
PLFM_RADAR
/
docs
/
assets
/
img
/
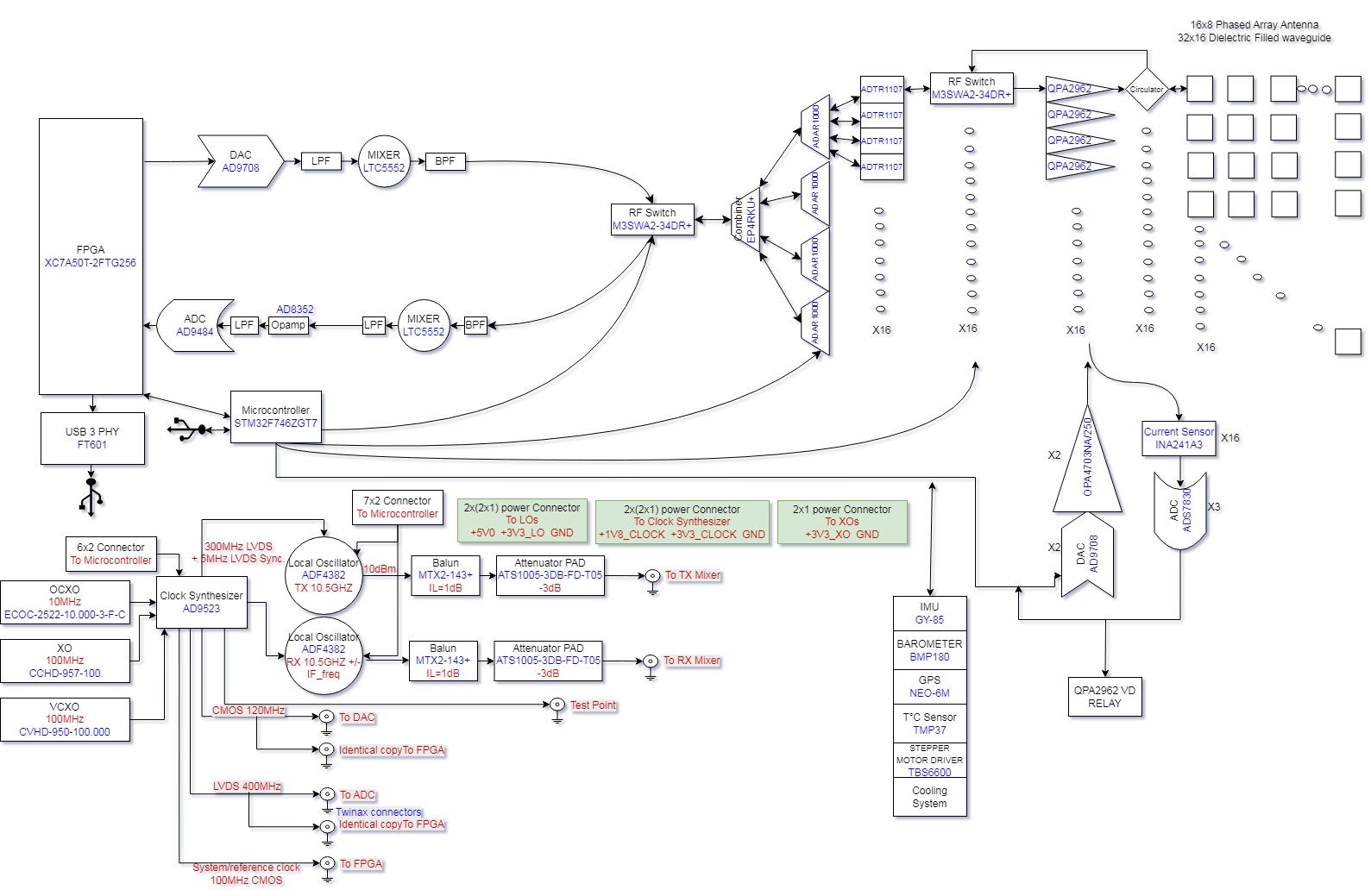
RADAR_V6_V2.jpg
NawfalMotii79
72411006ab
Add files via upload
2026-04-02 01:23:36 +01:00
276 KiB
1589x1039px
Raw
History
Reference in New Issue
View Git Blame
Copy Permalink